English | Arabic

 
Hinges
Locks & Gear Kits
Accessories
Clamping Rings
Other Products
Warranty
info@serafiindustries.com

Specification Technical Drawing Modules
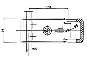
Locks & Gear Kits Page > Door Lock Body (Wide) With key for tubes 16mm
 

Enlarge the picture

Door Lock Body (Wide) With key for tubes 16mm
CODE: 602
 
Product technical drawing:
Copyright ® 2004 www.serafiindustries.com. All rights reserved.